
螺杆泵产品说明:
1,与离心泵相比螺杆泵无需安装阀门,流量是稳定的线性流动; 快盈welcome首页.
2. 与柱塞泵相比螺杆泵具有自吸能力强. 吸入高度强; 快盈app下载.
3 快盈官网,与隔膜泵相比螺杆泵可输送各种混合杂质含有气体及固体颗粒或纤维的介质,也可输送各种腐蚀性物质;.
4,与齿轮油泵相比 快盈手机版,螺杆泵可输送高粘度的物质;.
5,与柱塞泵,隔膜泵及齿轮泵不同的是,螺杆泵可用于药剂填充和计量 快盈安卓版。
螺杆泵使用注意事项:
1,G型单螺杆泵使用前先确定运转方向,不得反转。 快盈ios版。
2,G型单螺杆泵严禁在无介质情况下空运转,以免损坏定予。 快盈最新版本。
3,G型单螺杆泵新安装或停机数天后的单螺杆泵,不能立即起动,应先向G型单螺杆泵体内注入适量机油,再用管子钳板动几转后才可起动。 快盈平台登录。
4 快盈注册入口,G型单螺杆泵输送高粘度或含颗粒及腐蚀性的介质后,应用水或溶济进行冲洗,防止阻塞,以免下次起动困难。。
5.G型单螺杆泵冬季积液,防止冻裂。
6 快盈官网入口,G型单螺杆泵使用过程中轴承箱内定期加润滑油,轴端有渗流时,要及时处理或调换油封。。
7.G型单螺杆泵在运行中如发生异常情况,立即停机检查原因,排除故障。
使用范围:
G型单螺杆泵结构紧凑,体积小,维修简便。对介质的适应性强,流量平稳,压力脉动小,自吸能力高。工作温度可达120℃,如果需输送120℃-350℃高温介质,可定做。广泛用于食品、冶金、造纸、印染、化工、化肥、制药等工业部门。
因定子选用多种弹性材料制成,这种泵对高粘度流体的输送和含有硬质悬浮颗粒介质或含有纤维介质的输送,有一般泵种所不能胜任的特性,其流量与转速成正比。

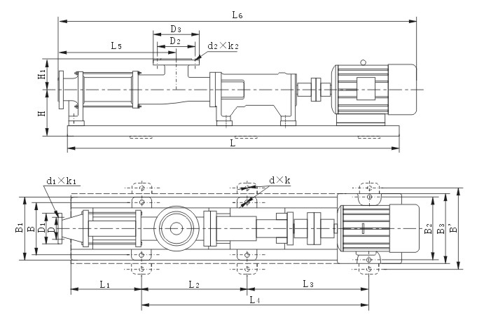
安装尺寸:
|
型号 |
L1 |
L2 |
L3 |
L4 |
L5 |
H |
H1 |
B |
B1 |
|
|
G20-1 |
93 |
545 |
220 |
800 |
130 |
195 |
125 |
160 |
φ14×4 |
|
|
G25-1 |
135 |
800 |
325 |
1140 |
145 |
250 |
160 |
180 |
φ14×4 |
|
|
G25-2 |
110 |
935 |
460 |
1280 |
160 |
260 |
160 |
200 |
φ14×4 |
|
|
G30-1 |
105 |
935 |
340 |
1170 |
160 |
265 |
160 |
200 |
φ14×4 |
|
|
G30-2 |
135 |
650 |
460 |
550 |
1505 |
195 |
315 |
200 |
245 |
φ16×6 |
|
G35-1 |
130 |
475 |
530 |
430 |
1385 |
200 |
315 |
205 |
245 |
φ16×6 |
|
G35-2 |
140 |
485 |
715 |
620 |
1610 |
215 |
340 |
200 |
245 |
φ16×6 |
|
G40-1 |
150 |
465 |
622 |
455 |
1515 |
200 |
315 |
205 |
250 |
φ16×6 |
|
G40-2 |
165 |
665 |
625 |
670 |
1720 |
215 |
325 |
210 |
240 |
φ16×6 |
|
G50-1 |
150 |
575 |
545 |
490 |
1560 |
320 |
205 |
245 |
φ16×6 |
|
|
G50-2 |
150 |
700 |
700 |
735 |
1975 |
380 |
230 |
295 |
φ18×6 |
|
|
G60-1 |
150 |
675 |
700 |
570 |
1840 |
385 |
235 |
285 |
φ18×6 |
|
|
G60-2 |
150 |
800 |
845 |
850 |
2145 |
390 |
240 |
315 |
φ18×6 |
|
|
G70-1 |
183 |
720 |
750 |
685 |
1995 |
435 |
240 |
315 |
φ18×6 |
|
|
G70-2 |
190 |
900 |
935 |
1055 |
2380 |
465 |
250 |
350 |
φ20×6 |
|
|
G85-1 |
200 |
800 |
850 |
735 |
2045 |
480 |
260 |
350 |
φ20×6 |
|
|
G105-1 |
210 |
870 |
930 |
885 |
2200 |
500 |
300 |
400 |
φ20×6 |
|
|
G135-1 |
250 |
930 |
970 |
985 |
2300 |
510 |
320 |
450 |
φ22×6 |
螺杆泵故障排除:
螺杆泵发生故障时的处理方法:螺杆与壳体之间的密封面是一个空间曲面。 在这个曲面上存在着诸如ab或de之类的非密封区,并且与螺杆的凹槽部分形成许多三角形的缺口abc、def。三角形缺口构成液体的通道,使主动螺杆凹槽A与从动螺杆上的 凹槽B、C相连通。而凹槽B、C又沿着自己的螺线绕向背面, 并分别和背面的凹槽D、E相连通。由于在槽D、E与槽F(它属 于另一头螺线)相衔接的密封面上,也存在着类似于正面的三 角形缺口a’b’c’,所以D、F、E也将相通。这样,凹槽ABCDEA也就组成一个“∞” 形的密封空间(如采用单头螺纹,则凹槽将顺轴向盘饶螺杆, 将吸排口贯通,无法形成密封)。不难想象,在这样的螺杆 上,将形成许多个独立的“∞”形密封空间,每一个密封空间所占有的轴向长度恰好等于累杆的导程t。为使螺杆 能吸、排油口分隔开来,螺杆的螺纹段的长度至少要大于一个导程。





