
潜水搅拌机性能与结构:
(1)型式与要求:
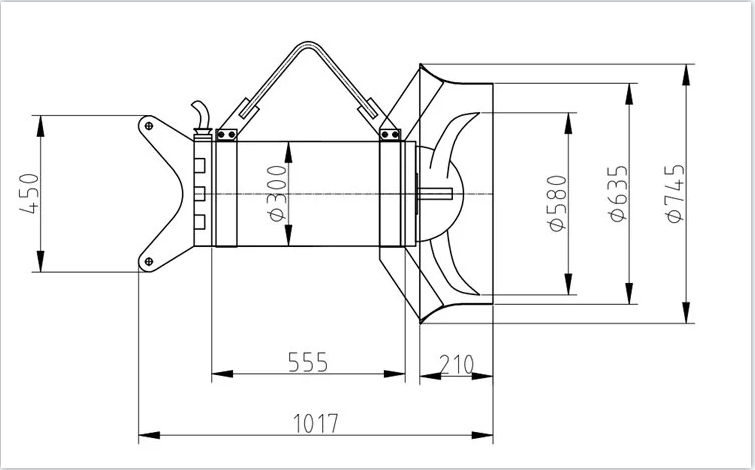
1)潜水搅拌机的型式为三叶片螺旋浆式无阻塞全不锈钢的潜水搅拌器。
2)潜水搅拌机工作时要求池底水平流速大于0 快盈app下载,3m/s,以防发生沉淀。要求池内淤泥无堆积现象。。
(2)主要结构
1)潜水搅拌机的设计
潜水搅拌机能处理污水,污泥或反冲洗废水,潜水搅拌机可上下升降,方便的移动,检查或维修无需人员进入湿井,滑行杆支架作为搅拌器整体部件之一,潜水搅拌机全部的重量受力在一个支架上,支架可承受潜水搅拌机形成的推力 快盈官网,附件和电缆在10米水深无水泄,可连续潜水工作。
2)潜水搅拌机的构造
每台潜水搅拌机整体设计 快盈手机版,封闭式连接,潜水型,潜水搅拌机所有的组件包括电机可在水下连续运转,与液体接触的搅拌机主要构件是不锈钢S304,潜水搅拌机主件的密封设计是金属与金属接触,需要防水密封的临界接触面应是机械加工,并嵌入两组腈或氟化橡胶O-型圈。
3)冷却系统
电机能被周围搅拌介质充分冷却。
4)电缆和电缆密封
①电机配有控制和动力电缆,具有防拉功能,符合行业标准并提供足够的长度以接入接线盒且不需要拼接,每根电缆都有一个单独的进口 快盈安卓版,并进行可靠密封,动力电缆为多芯电缆,每根电缆单独进行密封,电缆外护套是低吸收性的防油氯丁橡胶,机械柔性能承受电缆进线处的压力。
②电缆进线密封设计能消除一定的扭矩以形成一个防水的潜水密封 快盈ios版,该密封可重复使用并保证方便电缆的更换,不能用环氧树脂,硅或其他二次密封系统进行密封。
5)电机
潜水搅拌机的电机是鼠笼式感应电机 快盈最新版本,装在充气的防水的壳内,防护等级IP68,定子绕组和定子进线的绝缘等级为F级180°C,电机设计成可连续处理搅拌40°C的介质,每小时可起动30次,为监控每相绕组上的温度,在定子进线线圈中装有热敏开关,并接至控制柜,与控制柜连接。
6)轴承
搅拌器和电机的轴是连续无间断的轴,轴在油脂润滑的三个轴承上转动,轴承是一个单滚珠轴承用于承担径向力,下轴承包括一个滚珠轴承承担径向力及一个向心止推轴承来承担轴向力,所有轴承的设计寿命不低于10万小时 快盈平台登录。
7)一体化插入式机械密封
潜水搅拌机配有一个一体化插入式的双机械密封 快盈注册入口,密封在一个油腔内运行,该油腔能以一稳定的流速对重叠的密封面进行润滑,外机械密封为耐腐蚀烧结碳化钨,避免搅拌液进入油腔,内机械密封为耐腐蚀烧结碳化钨,避免油腔中的油进入电机,内外机械密封各自独立地运行。
每台潜水搅拌机的轴密封系统应有一个油室,油室从设计上是防止过满和留有油膨胀的空间,带有防漏密封的注油孔和检查孔应当是很容易从外部检查维修的 快盈官网入口。
8)潜水搅拌机轴
螺旋浆和电机的轴是同一个,螺旋桨所的轴是电机轴的延伸 快盈正版下载,轴的材料为不锈钢(S420),螺旋桨充分与搅拌介质隔离。
9)叶轮
叶轮是304不锈钢材质或316L不锈钢,水力平衡的无堵塞的拽后设计。螺旋桨能处理常规污水、污泥或反冲洗废水。螺旋桨有三个叶片,
11)保护
所有的电机中每相绕组都应连接热敏开关,并串连。水泄漏传感器:探测定子室中的水。当泄漏传感器动作时,使得电机停止并报警。提供可装在电控柜中的监控继电器用于实时监测热敏信号和泄漏信号。
12)提升支架
支架和起吊悬臂均为不锈钢304。支架可在水平方向0度至180度内每隔10度调整。起吊葫芦内需配置制动装置。不锈钢304的吊链、螺栓、螺母、垫片、旋转操作手柄和化学地脚螺栓均被成套供应。
(3)主要部件材质
壳体:316不锈钢(整体铸造,不接受不锈钢包覆形式)
叶片:316不锈钢
机械密封:耐腐蚀烧结碳化钨或碳化硅
静密封材料:腈橡胶
所有连接附件、地脚螺栓:304不锈钢
导杆、支架、链、钢丝绳:304不锈钢
潜水搅拌机原票配置表:
|
序号 |
名称 |
规格型号 |
设备材质 |
数量 |
制造厂 |
|
1 |
主轴 |
(2Cr13)
|
不锈钢 |
1 |
杜安环保 |
|
2 |
螺旋浆叶 |
304 |
不锈钢 |
3 |
杜安环保 |
|
3 |
外壳 |
304 |
不锈钢 |
1 |
杜安环保 |
|
4 |
提升吊架 |
304 |
不锈钢 |
1 |
杜安环保 |
|
5 |
安装附件 |
304 |
不锈钢 |
1 |
杜安环保 |
|
6 |
机械密封 |
MA22-15 |
碳化硅 |
2 |
博格曼 |
|
7 |
电缆 |
YF3*10+3*4+1*6 |
丁睛橡胶 |
1 |
上上 |
|
8 |
电机 |
三相鼠笼异步电机 |
厂家定 |
1 |
杜安环保 |
|
9 |
提升装置 |
AISI |
304不锈钢 |
1 |
杜安环保 |
|
10 |

杜安环保潜水搅拌机及附属设备的供货范围包括:主机、提升导轨、提升链、水下电缆、安装提升(起吊)装置、基础螺栓等有效和充分运行所必需的附件。
设备安装、检查、试验、拆卸和重新组装所必需的专用工具。设备运行和维护所需的备品备件。
潜水搅拌机出厂资料:
(1)设备的详图及说明,表明所有的安装尺寸及材料;
(2)详细设备的性能说明;
(3)ISO9000系列质量管理认证;
(4)安装、维修、运行手册;
(5)电气及控制接线图;
(6)生主资格证明以及同类设备供货和应用业绩;
(7)备品备件表。




